인간 얼굴의 털집(毛囊) 등에 살면서 밤이면 기어나와 짝짓기를 하는 모낭충의 은밀한 사생활이 유전자 분석을 통해 확인됐다.
영국 레딩대학에 따르면 이 대학 무척추생물학 부교수 알레얀드라 페로티 박사가 이끄는 연구팀은 모낭충으로 알려진 얼굴 기생충 '데모덱스 폴리쿨로룸'(Demodex folliculorum)에 대한 첫 게놈 분석 결과를 생물학 저널 '분자생물학 및 진화'(Molecular Biology and Evolution)에 발표했다.
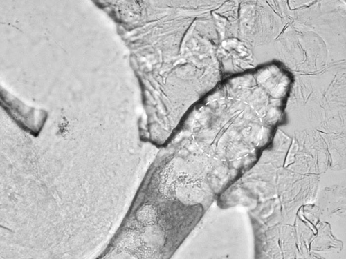
D. 폴리쿨로룸은 인간이 태어나면서부터 옮는 약 0.3㎜의 미세 진드기로, 거의 모든 사람이 갖고있다. 얼굴과 유두 등의 모낭에서 서식하며 모공 세포에서 분비되는 피지를 먹고 산다. 성인이 돼 털집이 커지면서 그 수가 절정에 달하며, 밤에 활동적이 돼 짝짓기 대상을 찾아 모공을 옮겨 다닌다.
연구팀은 첫 게놈 분석을 통해 D. 폴리쿨로룸이 모낭 속에서 고립된 생활을 하며 외부 위협이나 경쟁에 노출되지 않고 다른 유전자를 가진 종을 만날 일도 없다보니 필요없는 유전자와 세포를 떼내고 극도로 단순화된 생물이 됐다고 밝혔다.
작은 다리는 3개의 단일세포 근육으로만 움직이고, 단백질도 생존에 필요한 수준만 유지해 유사종 중에서는 단백질 종류가 가장 적은 것으로 나타났다.
밤에만 활동하는 야행성 행동도 유전자 축소와 관련된 것으로 분석됐다. 유전자상 자외선 방어력이 부족하고 낮에 깨어있게 해주는 유전자는 잃어버린 것으로 밝혀졌다. 또 무척추 생물의 밤 활동을 가능하게 해주는 멜라토닌을 직접 생성하지는 못하지만 해질녘에 인간 피부에서 분비되는 멜라토닌을 이용해 밤새 짝짓기를 할 수 있는 것으로 분석됐다.
연구팀은 또 D. 폴리쿨로룸의 독특한 유전자 배열이 특이한 짝짓기 행동을 가져온 것으로 추정했다. 생식기가 앞에서 움직이고, 수컷의 생식기는 앞부분에서 위로 돌출해 짝짓기 때 암컷 밑에 자리를 잡는데, 독특한 유전자 배열의 결과라는 것이다.
연구팀은 D. 폴리쿨로룸이 새끼에게 새로운 유전자를 추가할 수 있는 잠재적 짝과 만날 기회가 부족해 진화적으로 막다른 길로 들어서 멸종에 당면할 수도 있는 것으로 분석했다.
이런 현상은 이전에 세포 내 박테리아에서 목격된 적은 있지만 동물에서는 처음인 것으로 지적됐다.
페로티 박사는 "모낭충이 모낭 속에서 보호된 삶에 적응하다보니 다른 유사종과는 차이가 있는 유전자 배열을 가지고 있다는 점을 확인했다"면서 "이런 유전자 변화는 D. 폴리쿨로룸의 독특한 체형과 행동을 가져왔다"고 지적했다.
연구팀은 D. 폴리쿨로룸이 항문을 갖고있지 않아 배설물을 약 2주간 생존하면서 몸속에 축적해 놓았다가 죽을 때 한꺼번 방출함으로써 피부 염증을 유발한다는 연구 결과가 있었다면서 이번 연구에서 항문을 가진 것으로 확인된 만큼 부당한 비난을 받아온 점이 없지 않다고 했다.
특히, 모낭충이 성체가 되면서 세포가 줄어드는 것을 밝혀냈는데, 이는 피부 기생충에서 체내 공생생물로 바뀌어가는 첫 걸음일 수 있다고 해석했다.
논문 공동저자인 뱅거대학의 헨크 브레이그 박사는 "모낭충이 여러가지 면에서 비난을 받아왔다"면서 "인간과의 오랜 관계는 이들이 얼굴의 모공이 막히지 않게 유지하는 것과 같은 단순하지만 유익하고 중요한 역할을 하고 있다는 점을 시사하는 것일 수 있다"고 덧붙였다.
eomns@yna.co.kr


